OOF2: The Manual
Name
OOF.Image.Modify.Despeckle — Reduce the speckle noise while preserving the edges in an image.
Synopsis
OOF.Image.Modify.Despeckle(image)
Details
- Parent Menu: OOF.Image.Modify
-
Callback: function
doImageModin moduleooflib.image.imagemodifier -
Parameters:
image- Type: The path to an existing
Imageobject.
Description
Despeckling reduces speckle noise while preserving the edges of features in an image.
This routine comes from the ImageMagick library.
![]() |
Note |
|---|---|
|
This despeckling is entirely different from the despeckling
that is done on the pixel selection. That operation smooths out
the set of selected pixels. This operation smooths the pixel
colors in an |
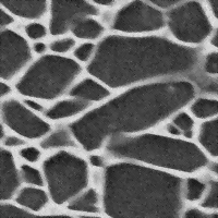
Figure 6.33. Despeckling an Image

A micrograph of Si3N4 (courtesy of C.-H. Hsueh), with extra noise added.

The result of Despeckling the noisy image.


![[Note]](IMAGES/note.png)

