OOF2: The Manual
Name
OOF.Image.Modify.Reilluminate — Adjust brightness so that the whole image is evenly illuminated.
Synopsis
OOF.Image.Modify.Reilluminate(image, radius)
Details
- Parent Menu: OOF.Image.Modify
-
Callback: function
doImageModin moduleooflib.image.imagemodifier -
Parameters:
image- Type: The path to an existing
Imageobject. radius- Size of the averaging region. Type: Integer.
Description
Compensate for uneven lighting in an Image. The average
brightness in a neighborhood of size radius
around each pixel is compared to the average brightness of the
whole Image, and the pixel value is scaled by the resulting
ratio. The radius is specified in units of the
pixel size, and should be large compared to the size of the
features in the image, but small compared to the size of the image
itself.
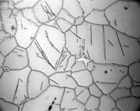
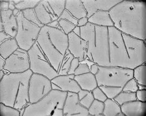
Figure 6.43. Reilluminating an Image

A micrograph of cementite and austenite phases in steel (courtesy of M. Kral). The image is 290 × 230 pixels.

The result of reilluminating the image with
radius=10 pixels.



