OOF2: The Manual
Name
OOF.Image.Modify.ReduceNoise — Reduce noise while preserving edges.
Synopsis
OOF.Image.Modify.ReduceNoise(image, radius)
Details
- Parent Menu: OOF.Image.Modify
-
Callback: function
doImageModin moduleooflib.image.imagemodifier -
Parameters:
image- Type: The path to an existing
Imageobject. radius- Size of the pixel neighborhood. Type: A real number.
Description
Smooth the contours of an image while still preserving edge
information. The algorithm works by replacing each pixel with its
neighbor closest in value. The neighbors of a pixel are defined
as those pixels within the given radius,
specified in units of the pixel size. A suitable radius will be
chosen automatically if radius is zero.
This routine comes from the ImageMagick library.
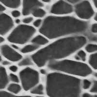
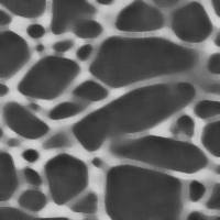
Figure 6.42. Reducing Noise in an Image

A micrograph of Si3N4 (courtesy of C.-H. Hsueh), with noise added.

The result of applying ReduceNoise with
radius=0, so that the neighborhood radius
is chosen automatically.

The result of applying ReduceNoise with
radius=4.



