OOF2: The Manual
Name
OOF.Image.Modify.Fade — Fade the image by the given factor.
Synopsis
OOF.Image.Modify.Fade(image, factor)
Details
- Parent Menu: OOF.Image.Modify
-
Callback: function
doImageModin moduleooflib.image.imagemodifier -
Parameters:
image- Type: The path to an existing
Imageobject. factor- 0 does nothing, 1 fades to white. Type: A real number in the range [0, 1].
Description
Fade the given image by making each pixel whiter.
Each color component
(red, green, or blue) is replaced by
.
If factor is 0, then there is no change, but if
factor is 1, the image becomes completely
white. Values between 0 and 1 are most useful.
Compare to OOF.Image.Modify.Dim.
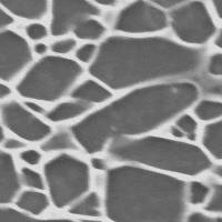
Figure 6.38. Fading an Image

A micrograph of Si3N4 (courtesy of C.-H. Hsueh).

The image after being faded with factor=0.2.



