OOF2: The Manual
Name
OOF.Image.Modify.Equalize — Apply histogram equalization to the image.
Synopsis
OOF.Image.Modify.Equalize(image)
Details
- Parent Menu: OOF.Image.Modify
-
Callback: function
doImageModin moduleooflib.image.imagemodifier -
Parameters:
image- Type: The path to an existing
Imageobject.
Description
Apply histogram equalization to an Image. This spreads out the
distribution of pixel values to increase the contrast in the image.
This routine comes from the ImageMagick library.
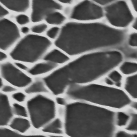
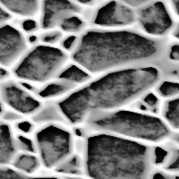
Figure 6.37. Equalizing an Image

A micrograph of Si3N4 (courtesy of C.-H. Hsueh).

The result of Equalizing the image. Details with low contrast are more visible. (This may not be desirable for OOF2 analysis of this particular image.)



