OOF2: The Manual
Name
OOF.Image.Modify.Enhance — Enhance the image by minimizing noise.
Synopsis
OOF.Image.Modify.Enhance(image)
Details
- Parent Menu: OOF.Image.Modify
-
Callback: function
doImageModin moduleooflib.image.imagemodifier -
Parameters:
image- Type: The path to an existing
Imageobject.
Description
Enhance the Image by minimizing noise.[22]
This routine comes from the ImageMagick library.
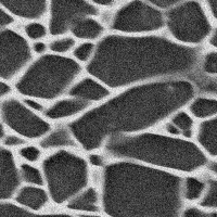
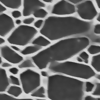
Figure 6.36. Enhancing an Image

A micrograph of Si3N4 (courtesy of C.-H. Hsueh), with extra noise added.

The result of three successive applications of Enhance.
[22]
Sorry about the lack of documentation. The ImageMagick
documentation isn't very descriptive, and the source code
simply says "EnhanceImage() applies a digital filter that
improves the quality of a noisy image"
[magick/enhance.c, in ImageMagick 6.1.8].



